輸出方式:模擬信號輸出
窗口尺寸:3*4mm
感應距離:10M(透鏡SB-F-02 )不同距離詳見透鏡選型
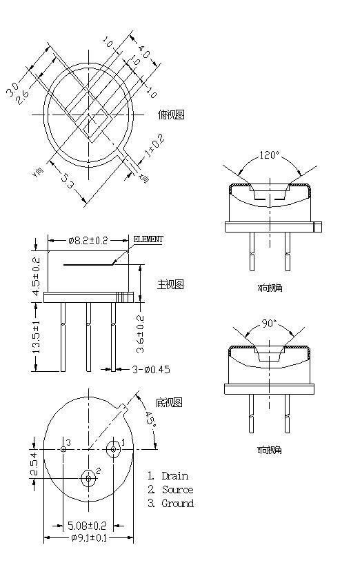
感應角度:120°(水平方向)
工作電壓:3-15V
靜態噪聲:<80mV
推薦配套IC:ISB6601L,RS8034,ISB02,BISS0001
熱釋電紅外線傳感器是利用材料自發極化隨溫度變化的特征來探測紅外線輻射的傳感器,采用雙靈敏元設計,抑制環境溫度變化產生的干擾,提高了傳感器的工作穩定性。本產品應用廣泛,例如智能玩具,自動燈開關,感應門等,特別適用于智能玩具應用場合。
模擬信號輸出
窗口尺寸 3*4mm 紅外接受電極 2.6*1mm,2elements 封裝 TO-5 接收波長 5—14μm 透過率 ≥ 75% 輸出信號峰值[Vp-p] ≥ 3500mV 靈敏度 ≥ 3300V/W 探測率 (D*) 1.4 ×108 cmHz1/2/W 噪聲峰值[Vp-p] ≤80mV 輸出平衡度 <10% 源極電壓 0.3~1.2V 電源電壓 2~15V 工作溫度范圍 -30~+70oC 保存溫度范圍 -40~+80oC
產品尺寸圖

注意事項
傳感器的出廠參數,均在標準黑體及穩定測試環境下經過數分鐘穩定時間后測試取得。
傳感器需結合菲涅爾透鏡使用達到理想的感應角度及感應距離。
傳感器的感應距離與環境溫濕度、采集目標的溫度和移動方向、菲涅爾透鏡、放大倍數設置均有直接關系,使用時請綜合考慮。
傳感器內部敏感元件較為薄脆,使用時請輕拿輕放,高頻震動或跌落撞擊可能導致敏感元件發生斷裂。
傳感器窗口為硅基半導體特殊材料真空鍍膜濾光鏡片,使用時請勿用手或硬物直接接觸。
傳感器窗口選型:模擬直插雙元產品:S:3*4mm,B:3.8*5mm,數字直插雙元產品:S:3*4mm,L:3.8*5mm,M:4.2*5.2mm,直插四元產品:X:4*4mm,Q:4.9*4.9mm。詳情請與業務員溝通。
傳感器引線長度選型:常規默認13.5mm,如有其他需求可詳詢業務員,支持定制引線長度。
傳感器其他詳細信息請詳見產品說明書。